2025.12.23
最終更新日: 2025.12.23
  • 技術コラム

バイオマス活用の広がりと新たな効能

バイオマス記事のアイキャッチ

バイオマスとはどういったものか

よく耳にするバイオマスとはいったい何でしょうか。

生物資源(bio)の量(mass)という意味のバイオマスですが、近年は、再生可能な動物や植物を由来とする資源を総称した言葉として使われます。

具体的には木材や海藻、動物の死骸や排せつ物や生ごみ、木くず、もみがらなどが該当します。
化石燃料は動植物が由来と言えなくもないですが、再生可能ではないという観点からバイオマスの枠組みには入りません。

環境にやさしいバイオマス

バイオマスはいったい何が注目されているのでしょうか。

持続可能なエネルギーであるため、石油のような化石燃料の使用を抑制できるということ、それにより地球温暖化が防止できることなどが使用するメリットと言われています。

バイオマスは車両やボイラーの燃料として使われ、燃やすことで発電にも利用できます。そのため日本では特に木質のバイオマスへの支援や補助金制度が準備されています。

ただ、バイオマス発電に関しては原料のバイオマスを輸送するのにガソリンなどの化石燃料が使われてしまうこと、発電時の臭いが発電所周辺で問題になることなどデメリットもあります。

バイオマスの活用方法

バイオマスの発電以外の活用方法としては、バイオガスやバイオマスプラスチックがあります。

バイオガスは、生ごみや動物の排せつ物からなるバイオマスを微生物の力によって分解させることで作られます。
このときに発生するメタンをそのまま燃料として利用し、ガスタービンやガスエンジンで燃焼させて発電に使うこともできます。

また、植物などの再生可能な有機資源であるバイオマスを原料としたプラスチックが、バイオマスプラスチックです。

似たような名前でバイオプラスチックというものもありますが、これはバイオマスプラスチックと、微生物等によって二酸化炭素と水に分解できる生分解性プラスチック(化石燃料由来のものもある)を合わせたものを指します。

バイオマスプラスチックは製造時には二酸化炭素が発生しませんし、廃棄する際にも元々の植物が持っていた二酸化炭素が出ていくだけであるため、大気中の二酸化炭素は増加していません。

環境に優しいプラスチック素材であることから化石由来資源の代替品として注目されており、最近ではこれを用いたバイオマスのレジ袋の利用が広まっています。

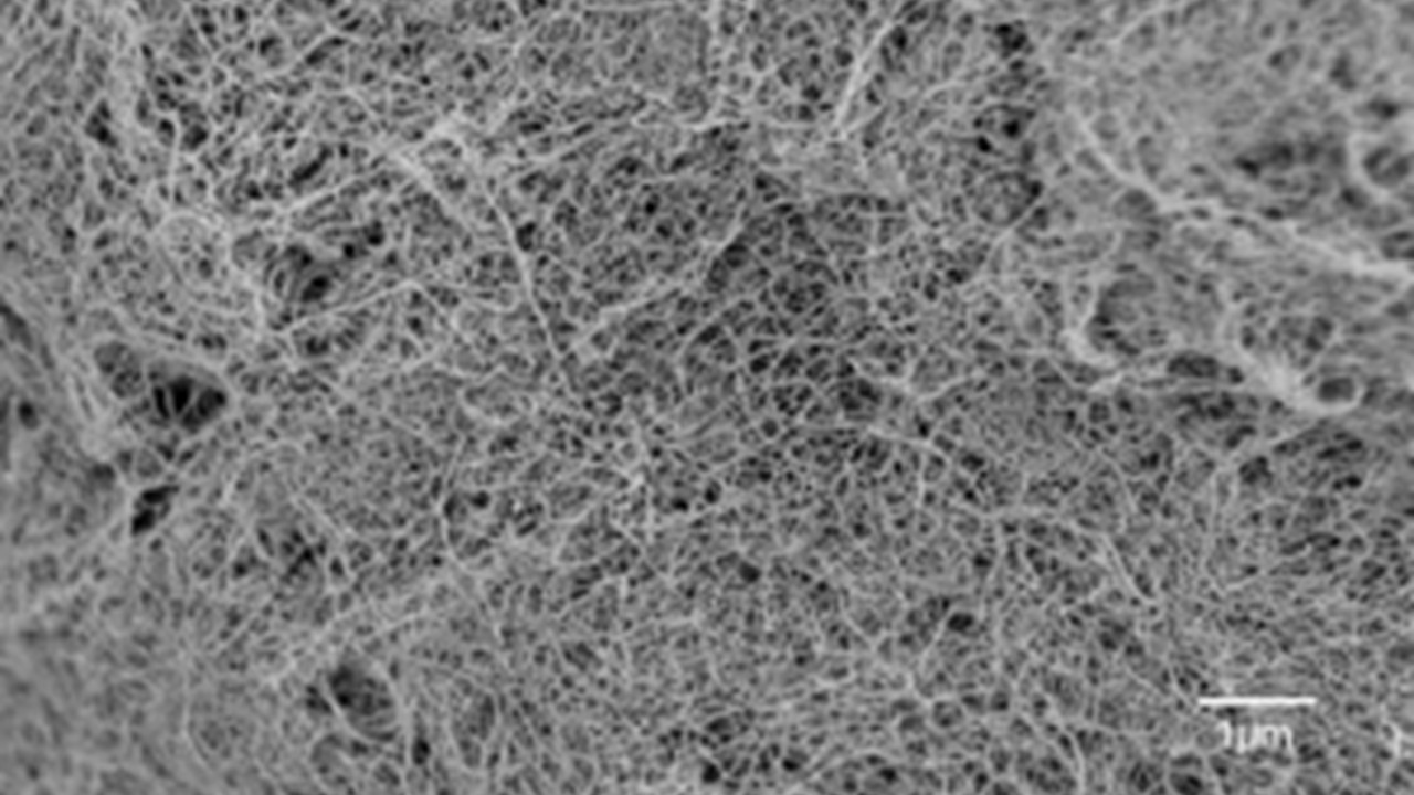
バイオマスナノファイバーとは

バイオマスを細かく解すことで新たな効能を生み出す取り組みをスギノマシンは行っています。
そして生み出された素材が「バイオマスナノファイバー」であり、その商品名が「BiNFi-s(ビンフィス)」です。

対象としているバイオマスはセルロース、キチン、キトサン、シルクなどの生物由来原料であり、これらをスギノマシン独自の「ウォータージェット製法」で、ナノレベル(直径10~20nm、長さ数µm)に解した超・極細繊維素材です。

原料によって「セルロースナノファイバー(CNF)/ナノセルロース」、「キチンナノファイバー」、「キトサンナノファイバー」、「シルクナノファイバー」などと呼ばれています。

近年、国内外で応用開発・研究が盛んに行われており、製品化も進んでいます。

バイオマスナノファイバーの特性

セルロースは植物からとれる自然由来の素材で、セルロースをナノサイズに細かく解した「セルロースナノファイバー」は、プラスチックやゴムなどに混ぜた際に強度を向上させながら樹脂の使用量を減らすことができ、環境負荷の低い商品を造るための素材として注目されています。

また、キトサンはカニやエビなどの甲殻類の殻の主成分であるキチンより生成され、セルロースと似た力学特性を有し、さらにアミノ基(-NH2)を有するため生体適合性があるとされています。

まとめ

バイオマスとは何か、そしてその用途について記載しました。

スギノマシンでは培ってきたウォータージェット技術を応用することで、バイオマスから様々なナノファイバーを製造し、「BiNFi-s」の商品名で販売を行っております。

お客様のご要望や用途に合った商品を選定しますので、ぜひお気軽にお問い合わせください。

技術情報

これらの応用例や実験結果を、テクニカルレポートでご紹介しています。

※テクニカルレポートの閲覧・ダウンロードには、ユーザー登録をお願いしております。
※既にユーザー登録済みの方は、ダウンロードページで各種資料を閲覧ください。

【ご利用方法】

  1. ユーザー登録いただくと、メールで「ユーザー名」と「パスワード」が届きます。
  2. ダウンロードページで、「ダウンロード」ボタンをクリックし、「ユーザー名」と「パスワード」を入力して、
    各種資料を閲覧・ダウンロードしてください。

 

ID/パスワードをお持ちの方

ダウンロードページへのリンクをクリックして、IDとパスワードを入力してください。

ダウンロードページへ

ID/パスワードをお持ちでない方

ユーザー登録後、ダウンロードページへお進みください。
※ID/パスワードを忘れた方も再登録をお願いします。

新規ユーザー登録
前のページに戻る