ADJUSTABLE SPINDLE NOSES : Spindle Noses

ADJUSTABLE SPINDLE NOSES For ELECTRIC
Adjustable Spindle Noses are applicable to all models of the SELFEEDER ELECTRIC series.
If you order Adjustable Spindle Nose type, please add “S” to the end of the model No. and specify the Adjustable Spindle Nose model No. e.g. BILZ 16.
SUGINO supplies Adjustable Spindle Noses other than those shown below, upon request.
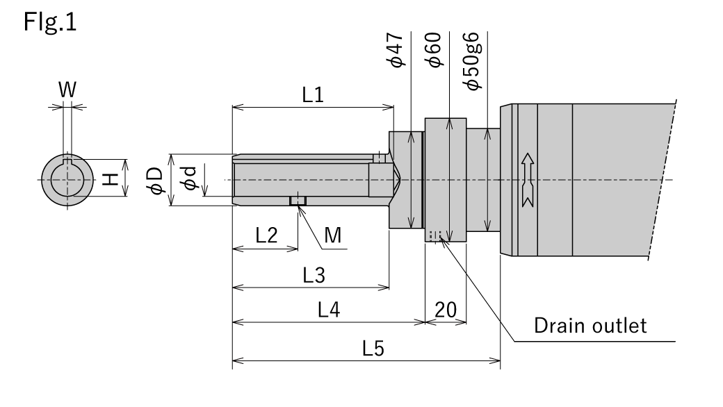
Dimensions



Notes
Dimensions of spindle nose shown here are as per recommendation of NT Tool Corporation.
Spindle noses of KH-E model are applicable to the quick change stub holder of KH-A or KH-E model of NT Tool Corporation.
Adjustable Spindle Noses cannot be used in Selfeeders at the idling speed above 5,000min-1.
Adjust the direction so that the drain outlet facing downward, when installing SELFEEDER ELECTRIC in a horizontal position.
Specific products other than shown above are also available upon your requests.



Notes
Dimensions of spindle nose shown here are as per recommendation of NT Tool Corporation.
Spindle noses of KH-E model are applicable to the quick change stub holder of KH-A or KH-E model of NT Tool Corporation.
Adjustable Spindle Noses cannot be used in Selfeeders at the idling speed above 5,000min-1.
Adjust the direction so that the drain outlet facing downward, when installing SELFEEDER ELECTRIC in a horizontal position.
Specific products other than shown above are also available upon your requests.



Notes
Dimensions of spindle nose shown here are as per recommendation of NT Tool Corporation.
Spindle noses of KH-E model are applicable to the quick change stub holder of KH-A or KH-E model of NT Tool Corporation.
Adjust the direction so that the drain outlet facing downward, when installing SELFEEDER ELECTRIC in a horizontal position.
Specific products other than shown above are also available upon your requests.